東洋技研株式会社

Search

製品検索

カテゴリーと製品名から検索できます。

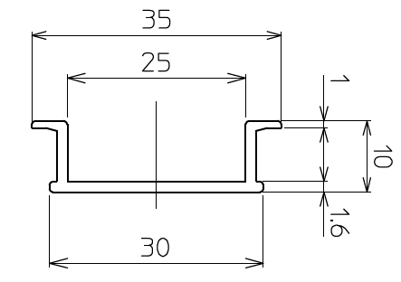
DAV5S-1000(DINレール)

DAV5Sシリーズ

端子台 / オプション / レール / レール

定価 1,053 円 / 個 (販売単位:100)

CADファイルダウンロード

この製品についてのお問い合せ

製品情報


DIN規格に対応した35㎜幅のレール
短穴タイプ

TOP 製品情報 端子台 DAV5S DAV5S-1000(DINレール)
ページの先頭へ