東洋技研株式会社

Search

製品検索

カテゴリーと製品名から検索できます。

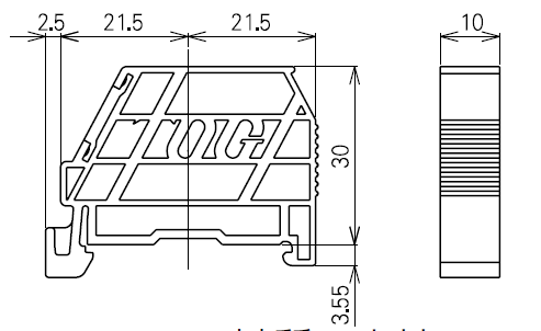
SDV-2

止メ金具・ストッパーシリーズ

端子台 / オプション / 止メ金具・ストッパー / 止メ金具・ストッパー

定価 86 円 / 個 (販売単位:50)

CADファイルダウンロード

この製品についてのお問い合せ

製品情報

レール上に装着した機器を固定する金具

TOP 製品情報 端子台 止メ金具・ストッパー SDV-2
ページの先頭へ